炒股配资股票与炒股配资网新人配资开户-通达信人气排名在哪里看-【东方资本】,买股票杠杆风险大吗为什么,网上做股票配资是骗局吗,正规杠杆平台爱企查能查到吗

今天是2025年8月29日 星期五,歡迎光臨本站 

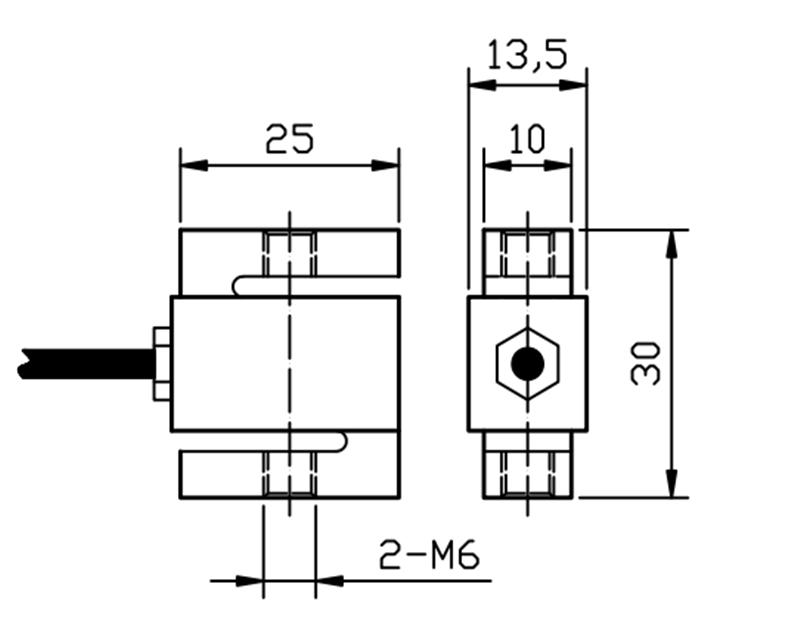
S型拉力傳感器

BCS-M2

文字:[大][中][小] 手機頁面二維碼 2021/12/3     瀏覽次數:    

BCS-M2型 微型拉力傳感器

特點及用途

高精度、高穩定性、輸出對稱性好、拉壓兩用。

適用于空間有限的拉壓力測量場合,大量運用于工業自動化、集成控制系統中。

 

技術參數:

量程

0.5、1、2、510、20、50 kg

輸入阻抗

385 ± 35 Ω

靈敏度

10 ~2.0± 01 mv/V

輸出阻抗

350 ± 3 Ω

綜合精度

±005 %F·S

絕緣阻抗

≥ 2000 MΩ

蠕變

±0.03 %F·S/30min

激勵電壓

12 VDC

非線性

±003 %F·S

工作溫度范圍

-20 ~ ﹢70

滯后誤差

±003 %F·S

允許過負荷

120 %F·S

重復性誤差

±003 %F·S

密封等級

IP65

零點溫度系數

±003 %F·S/10

材質

不銹鋼

輸出溫度系數

±003 %F·S/10

線纜

φ3 × 2000 mm

 

產品尺寸:

返回上一步
打印此頁
173-5529-0970
瀏覽手機站