炒股配资股票与炒股配资网新人配资开户-通达信人气排名在哪里看-【东方资本】,买股票杠杆风险大吗为什么,网上做股票配资是骗局吗,正规杠杆平台爱企查能查到吗

今天是2025年9月3日 星期三,歡迎光臨本站 

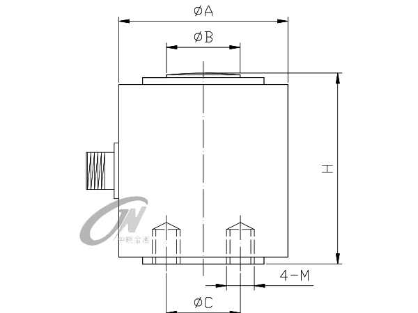
柱式稱重傳感器

BCBT-2

文字:[大][中][小] 手機頁面二維碼 2021-12-3     瀏覽次數:    

BCBT-2型 柱式稱重傳感器

特點及用途:

高穩定性、高可靠性。

適用于料倉秤、配料秤、機電結合稱及其它力值的測量與控制系統等。


技術參數:

量程

10203050100200 t

3005007001000 t

輸入阻抗

385 ± 35 Ω

靈敏度

15 ± 01 mv/V

輸出阻抗

350 ±Ω

綜合精度

02 %F·S

絕緣阻抗

2000 MΩ

蠕變

±02 %F·S/30min

激勵電壓

5 12 VDC

非線性

±01 %F·S

工作溫度范圍

-20 ~ ﹢70

滯后誤差

±01 %F·S

允許過負荷

120 %F·S

重復性誤差

±01 %F·S

密封等級

IP66

零點溫度系數

±005 %F·S/10

材質

合金鋼

輸出溫度系數

±005 %F·S/10

線纜

φ5 x 2000 mm


產品尺寸:



量程(t

H

ΦA

ΦB

ΦC

SR

M

10 30

825

73

318

單孔

152

M12

40 70

127

105

587

單孔

152

M12

100 300

1842

1524

792

70

216

M20

350 500

250

168

105

100

230

M20

600 700

269

218

135

130

280

M24

1000

328

270

200

 

270

 

返回上一步
打印此頁
173-5529-0970
瀏覽手機站